Scientia et Technica Año XXVIII, Vol. 29, No. 02, Abril - Junio de 2024. Universidad Tecnológica de Pereira. ISSN 0122-1701 y ISSN-e: 2344-7214
73
D
Diseño e implementación de un convertidor Boost
regulado empleando una estrategia de control PI
Design and implementation of a regulated boost converter, employing a PI control strategy
C. A. Díaz - Rodríguez ; W. N Romano-Torres ; G. E. Gallego-Rodríguez
DOI: https://doi.org/10.22517/23447214.25452
Scientific and technological research paper
Abstract The present work presents the design and
implementation of a non-isolated DC/DC Boost converter,
operating with a nominal load of 20 W, a constant output voltage
of 24 V, and a variable input voltage of 12 ± 25%. The development
was carried out in the Power Electronics laboratories of the
Electromechanical Engineering program at Universidad
Francisco de Paula Santander, following the proposed solution
methodology. The results demonstrate that the implemented PI
control system improves the dynamic response of the converter in
closed loop compared to the open loop, with steady-state errors
ranging from 1.66% (for a Vin of 9V) to 3.33% (for a Vin of 12V
and 15V) relative to the desired 24 V output. The system
successfully stabilizes the output voltage against different input
voltage variations, highlighting the importance of control systems
and simulation tools in the design and analysis of power electronics
circuits.
Index TermsDC/DC Boost converter, duty cycle, PI control,
gain, C.I. SG3525.
Resumen—El presente trabajo expone el diseño e implementación
de un convertidor DC/DC Boost no aislado que opera con una
carga nominal de 20 W, voltaje de salida constante de 24V y voltaje
de entrada variable de 12 ±25%V. El desarrollo se llevó a cabo en
los laboratorios de Electrónica de Potencia, del programa de
Ingeniería Electromecánica de la Universidad Francisco de Paula
Santander siguiendo la metodología de solución propuesta, y cuyos
resultados permitieron concluir que, el sistema de control PI
implementado mejora la respuesta dinámica del convertidor en
lazo cerrado en comparación con la obtenida en lazo abierto,
presentando errores de estado estacionario que oscilaron entre el
1.66% (para un Vin de 9V) y 3.33% (para un Vin de 12V y 15V)
en relación a los 24V deseados, logrando estabilizar el voltaje de
salida para los diferentes cambios de tensión generados en la
entrada, demostrando así, la importancia que tienen los sistemas
de control y las herramientas de simulación en el diseño y análisis
de los circuitos en la electrónica de potencia.
Palabras claves— Ciclo de trabajo, control PI, convertidor
DC/DC Boost, ganancia, C.I. SG3525.
This manuscript was submitted on September 04, 2023, accepted on July 02,
2024 and published on 22 July 2024. This work was supported by the
Environmental Studies in Water and Soil Research Group of the University of
Caldas.
C. A. Díaz Rodríguez Universidad Francisco de Paula Santander. (email
carlosandresdr@ufps.edu.co).
W. N. Romano Torres is a Ingeniero Electromecánico in Universidad
Francisco de Paula Santander (UFPS),. grupo de Investigación en Desarrollo de
Procesos Industriales (GIDPI) (email: wilsondiezcerouno@gmail.com).
I.
INTRODUCTION
ebido al crecimiento de la demanda energética y a las
consecuencias medioambientales negativas derivadas de
la operación de centrales tradicionales (térmicas, nucleares,
hidroeléctricas, entre otras), se hace necesario acudir a
convertidores estáticos de potencia cada vez menos
voluminosos y más eficientes (Boost, Buck, Buck-Boost, entre
otros) que permitan adecuar, controlar y distribuir la energía
proveniente de sistemas de generación convencional y/o
alternativa, con el objetivo de abastecer la demanda energética
generada por las diferentes cargas del sector industrial y
doméstico. [1], [2], [3]
Análogamente, en diversas aplicaciones eléctricas se requiere
modificar una tensión fija de una fuente de DC (implementadas
en ocasiones a través de bancos de baterías) en un voltaje DC
de niveles diferentes empleando convertidores DC/DC [4].
Durante este proceso, es común que se presenten fluctuaciones
en el voltaje de entrada del convertidor, ocasionando que el
voltaje a la salida cambie.
Para evitar estos cambios en el voltaje de salida del convertidor,
se suelen emplear técnicas de control como pueden ser los
controladores tradicionales PID, el control de realimentación de
estado, el control de ganancias programadas, etc. En los
estudios realizados por Valderrama et al [5], se sintonizan y
comparan un controlador PID y un controlador de
realimentación de estado para un convertidor Boost, utilizando
un modelo lineal obtenido de ecuaciones diferenciales no
lineales simuladas con Simulink/MatLab y el algoritmo de
Runge Kutta; los resultados mostraron que el controlador PID
fue más rápido que el control de realimentación de estado, pero
este último presentó mayor robustez ante las variaciones en la
resistencia de carga. Por otra parte, en los trabajos realizados
por Olivar-Castellanos et al [6], cuyo objetivo fue regular la
G. E Gallego Rodríguez, is Ingeniero Electricista en la Universidad Industrial
de Santander en 1968. obtuvo una Maestría en Ingeniería Eléctrica en el
Instituto Tecnológico y de Estudios Superiores de Monterrey en México en
1976. (email germanenriquegr@ufps.edu.co).
74
Scientia et Technica Año XXVIII, Vol. 29, No. 02, abril-junio de 2024. Universidad Tecnológica de Pereira
intensidad lumínica de una lampara de protección ocular, se
comparó el control PI clásico, PI difuso y un control de
ganancias programadas para un convertidor DC-DC, en donde
el control por ganancias programadas tuvo un mejor desempeño
con un error en estado estable de 0% al igual que el control PI,
pero presento un menor margen de sobrepaso, frente a los otros
controladores.
Así mismo, en las aplicaciones que necesitan relaciones de
voltaje elevadas que puedan provocar un funcionamiento
cercano al punto crítico de operación del convertidor, la
solución más conveniente resulta ser el uso de convertidores
cuadráticos de elevación con un solo interruptor como el
desarrollado por Sahu et al [7], el cual se implementó para una
ganancia de voltaje de 12.5 (300V/24V); para el cual los
investigadores establecieron diseñar un controlador PI lineal de
corriente y voltaje en lazo cerrado empleando un análisis de
pequeña señal. Esta topología de controlador incorpora un bucle
interno de corriente y un bucle externo de voltaje, atribuyendo
mayor precisión y estabilidad a la acción de control, lo cual
brinda un mejor desempeño en condiciones dinámicas de
operación para aplicaciones en sistemas de energía renovable y
aplicaciones industriales de alto rendimiento [8].
De acuerdo a la revisión realizada, el objetivo de este trabajo
consiste en diseñar un convertidor DC-DC controlado con la
capacidad de entregar una potencia de 20W y 24V DC, a partir
de una fuente de 12V con perturbaciones entre ±25%. Para
estas necesidades se definió un controlador PI que debe tener la
capacidad de mantener constantes las variables de salida,
actuando sobre la relación de trabajo del convertidor sin
importar los cambios que puedan ocurrir en el voltaje de
entrada.
II.
CONVERTIDOR DC/DC BOOST (ELEVADOR)
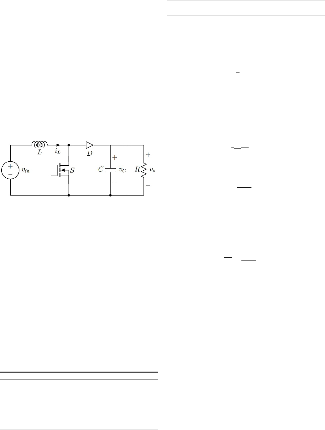
El convertidor DC/DC tipo Boost es una topología (ver Fig. 1)
de convertidor DC/DC que tiene la particularidad de
suministrar a la salida un voltaje mayor o igual, pero nunca
inferior, a la tensión de entrada [4]. El funcionamiento de este
circuito se basa en la conmutación periódica de un interruptor
electrónico, como se describe en [9], [10], [11]:
Cuando el interruptor electrónico se cierra, el diodo se
polariza en inversa, aislando la etapa de salida,
ocasionando que la fuente de entrada suministre energía al
inductor únicamente.
Cuando el interruptor se abre, la salida recibe la energía
almacenada previamente por el inductor y la energía que
está suministrando la fuente de tensión a la entrada.
Fig. 1. Diagrama de conexiones del convertidor DC/DC Boost. Fuente: [9].
En la ecuación (1) se evidencia la relación entre el voltaje de
salida y el voltaje de entrada en función del ciclo de
trabajo[3].
1
𝑉
𝑖𝑛
=
1 𝐷
𝑉
𝑜𝑢𝑡
(1)
La expresión (1) es válida, siempre que el convertidor trabaje
en modo de conducción continuo (MCC), es decir, que la
corriente que atraviesa el inductor 𝐿
𝑒
siempre sea mayor a cero
y que en términos de energía nunca llegue a descargarse
totalmente. Por ende, siempre se debe asegurar que el
convertidor trabaje en MCC, es decir, que en el inductor
siempre exista corriente permanente [3], [12]. El valor de
inductancia, que ocasiona la continuidad o discontinuidad en el
modo de operación del convertidor, se llama inductancia crítica
(𝐿
𝑐
) [13] y su cálculo se realiza empleando (2).
(2)
Las expresiones (1) y (2) establecen un voltaje de salida
constante con un valor de capacitancia 𝐶
𝑒
infinita. Sin embargo,
físicamente en una implementación el valor de 𝐶
𝑒
es finito,
permitiendo un rizado ∆𝑉 a la salida. El valor de este capacitor
se obtiene empleando (3).
𝐼
𝑜𝑢𝑡
𝐷𝑇
𝐶
𝑒
∆𝑉
(3)
III.
METODOLOGÍA
Para el diseño del convertidor Boost, inicialmente se estableció
la topología a diseñar y sus características operativas, así como
las ecuaciones más representativas que describen su operación.
Conjuntamente, de acuerdo a los valores nominales de tensión
y corriente requeridos, se seleccionaron los dispositivos
semiconductores empleados en la topología (transistor y diodo).
Por su parte, con las características operativas de los
dispositivos semiconductores seleccionados, y asumiendo
valores típicos para los otros elementos, se determinó el
diagrama de modelo circuital del convertidor, a partir del cual,
se derivaron las ecuaciones necesarias para determinar los
75
Scientia et Technica Año XXVIII, Vol. 29, No. 02, abril-junio de 2024. Universidad Tecnológica de Pereira.
rangos de trabajo, que garantizan estabilidad y eficiencia en su
operación. Finalmente, se calcularon los valores de los filtros
de entrada (inductor) y salida (capacitor) necesarios para
disminuir el rizado del convertidor.
Por otra parte, para satisfacer las condiciones de voltaje en la
carga ante variaciones de la fuente, se diseñó un controlador
tradicional encargado de regular el nivel de tensión de salida del
convertidor, a través del ciclo de trabajo del transistor.
IV.
DESARROLLO
A.
Topología, características operativas y ecuaciones de
diseño
1)
Topología
En la Fig. 2, se ilustra la topología empleada para la
realización del diseño.
Fig. 2. Topología del convertidor Boost seleccionada para el diseño. Fuente:
[14].
2)
Características operativas
Para determinar las características de operación del convertidor,
se tuvieron en cuenta, entre otros, los siguientes aspectos:
Se asumió una eficiencia de operación del 85%.
El ciclo de trabajo del convertidor en lazo abierto, se
calculó para un valor de voltaje de entrada de 12V.
Debido a la baja potencia del convertidor, se seleccionó
una frecuencia de conmutación de 100𝑘𝐻𝑧, con el objetivo
de reducir el tamaño de los filtros.
La carga del convertidor es del tipo resistiva de 28.8Ω.
Las variaciones del voltaje de entrada, emulan la carga y
descarga de una batería de 12V presente en una micro-red DC
aislada.
En la Tabla I se presentan las características operativas
definidas para el diseño:
𝑅
28.8Ω
𝑃
𝑜𝑢𝑡
20𝑊
3)
Ecuaciones de diseño de los filtros
A continuación, se presentan las ecuaciones de diseño
empleadas para el cálculo de los filtros del convertidor.
Cálculo de inductancia por criterio de rizado de corriente.
𝑉
𝑖𝑛
𝐷𝑇
𝐿
∆𝑖
𝐿
(4)
Cálculo de inductancia por criterio de continuidad.
(
1 𝐷
)
𝐷𝑉𝑖𝑛𝑇
𝐿
𝐶
=
2 < 𝑖 >
𝑙𝑜𝑎𝑑𝑚𝑖𝑛
(5)
Cálculo de capacitancia por criterio de rizado de voltaje.
𝐼
𝑜𝑢𝑡
𝐷𝑇
𝐶
∆𝑉
(6)
Cálculo ESR del capacitor.
𝛿
𝐸𝑆𝑅 =
2𝜋𝑓𝐶
(7)
B.
Selección de los dispositivos semiconductores
Para la selección de los dispositivos semiconductores, se tuvo
en cuenta el peor de los escenarios, el cual, en el caso de la
corriente, sucede cuando el voltaje de entrada es mínimo, como
se evidencia en (8).
𝑃
𝑖𝑛
25 𝑊
𝐼
𝑖𝑛𝑚𝑎𝑥
=
𝑉
=
9 𝑉
= 2,8 𝐴
𝑖𝑛𝑚𝑖𝑛
(8)
Por su parte, los valores medios máximos de tensión y corriente
que deben soportar el transistor y el diodo, se muestran a
continuación:
TABLA I
CARACTERÍSTICAS OPERATIVAS DEL CONVERTIDOR
Parámetro
Valor
𝐷
𝑜𝑙
0.53
𝑉
𝑜𝑢𝑡
24 𝑉
∆𝑉
𝑜𝑢𝑡𝑚𝑎𝑥
100𝑚𝑉
𝑉
𝑖𝑛
12 ± 25%
∆𝐼
𝑖𝑛𝑚𝑎𝑥
10%
𝑛
85%
𝑓
𝑠𝑤
100𝑘𝐻𝑧
De acuerdos a los valores máximos de voltaje y corriente
calculados matemáticamente, se estableció un factor de
seguridad del 100% para el voltaje y de 50% para la corriente,
por ende, los valores de selección que deben soportar los
dispositivos que modelan los interruptores serian:
𝐼
𝑡
=
2.625𝐴,
𝑉
𝑡
= 30𝑉,
𝐼
𝑑
= 1.575𝐴,
𝑉
𝑑
=
−18.75𝑉.
𝐼
𝑡
= 𝐼
𝑖𝑛
𝐷 =
(
2.8
)(
0.625
)
= 1.75𝐴
(9)
𝑉
𝑡
= 𝑉
𝑜𝑢𝑡
(
1 𝐷
)
=
(
24
)(
1 0.375
)
= 15𝑉
(10)
𝐼
𝑑
= 𝐼
𝑖𝑛
(
1 𝐷
)
=
(
2.8
)(
1 0.625
)
= 1.05𝐴
(11)
𝑉
𝑑
=
(
𝑉
𝑖𝑛
𝑉
𝑜𝑢𝑡
)
𝐷 =
(
9 24
)(
0.625
)
= 9.375𝑉
(12)
76
Scientia et Technica Año XXVIII, Vol. 29, No. 02, abril-junio de 2024. Universidad Tecnológica de Pereira
Con base en los valores anteriores, se seleccionó el transistor
Mosfet IRF530, puesto que, presenta una resistencia de
encendido baja, lo que contribuye a reducir las pérdidas, así
mismo, para el caso del diodo, se seleccionó un diodo de
recuperación rápida 1N5822, debido a que, a la frecuencia de
operación, un diodo de propósito general podría presentar
problemas debido al fenómeno de recuperación inversa. Por su
parte, la información más representativa de los datos
suministrados por los fabricantes (datasheet), se muestra en las
Tablas II y III.
TABLA II
CARACTERÍSTICAS NOMINALES DEL MOSFET IRF530
Parámetro
Valor
𝑉
𝐷𝑆𝑆
100 𝑉
𝐼
𝐷
14 𝐴
𝑅
𝐷𝑆
(
𝑂𝑁
)
0.15
𝑉
𝐺𝑆
(
𝑇𝐻
)
4𝑉
𝑃
𝐷
88 𝑊
𝑡
𝑂𝑁
44 𝑛𝑠
TABLA III
CARACTERÍSTICAS NOMINALES DEL DIODO SCHOTTKY 1N5822
PARÁMETRO
VALOR
𝑉
𝑅𝑅𝑀
40 𝑉
𝐼
𝑂
4 𝐴
𝐼
𝐹𝑆𝑀
80 𝐴
𝑡
𝑟𝑟
500 𝑛𝑠
𝑅
𝑑
0.04
𝑉
𝑑
0.23 𝑉
C.
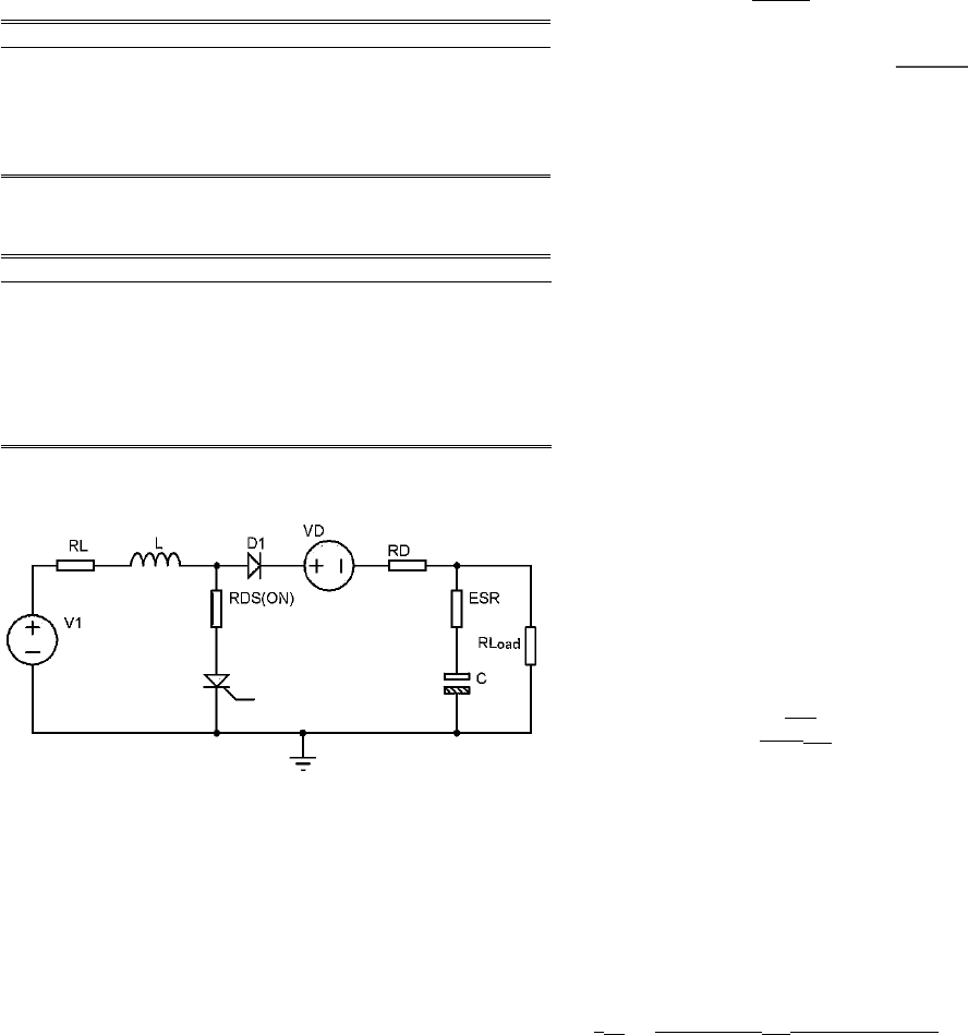
Diagrama circuital
Fig. 3. Diagrama de modelo circuital no ideal del convertidor.
Como se evidencia en la Fig. 3, se agregaron los parámetros
típicos del circuito equivalente de cada uno de los dispositivos,
entre los cuales se incluyeron: para el inductor, la resistencia de
la bobina (𝑅𝐿 = 200 𝑚Ω); en el diodo, la resistencia dinámica
del diodo (𝑅
𝑑
= 0.04) y la caída de voltaje en conducción
(
𝑉
𝑑
= 0.23𝑉
)
; en el Mosfet, la resistencia de encendido entre
drenaje y fuente (𝑅
𝐷𝑆
(
𝑂𝑁
)
= 0.15Ω); en el capacitor, la
resistencia equivalente serie o ESR a partir de un factor de
pérdidas de 0,2 asumido para el diseño.
1)
Análisis de la relación entre el voltaje de entrada y el
ciclo de trabajo del convertidor
Al incorporar los parámetros de circuito equivalente que
modelan cada uno de los dispositivos, se generan pérdidas que
deben ser consideradas para conocer las variaciones de potencia
y voltaje del convertidor [15]; lo que hace indispensable deducir
una expresión que relacione la tensión de salida y la tensión de
entrada, el ciclo de trabajo y los elementos agregados. Para ello,
se emplean las leyes de corriente y voltaje de Kirchoff, en
conjunto con el balance de flujo y de carga aplicado al inductor
y el capacitor, respectivamente [13], [16], permitiendo obtener
finalmente la ecuación (13) que relaciona el voltaje de entrada
en función del ciclo de trabajo, los parámetros operativos de
salida y los modelos reales de los elementos que conforman el
diagrama circuital no ideal del convertidor.
𝐼
𝑜𝑢𝑡
𝑉
𝑖𝑛
= 𝐷𝑅
𝐷𝑆
(
𝑜𝑛
)
(1 𝐷)
+
(
1 𝐷
)(
𝑉
𝑑
+ 𝑉
𝑜𝑢𝑡
)
𝐼
𝑜𝑢𝑡
+ 𝑅
𝑑
𝐼
𝑜𝑢𝑡
+ 𝑅
𝐿
(1 𝐷)
(13)
2)
Punto crítico del convertidor Boost
Durante el diseño del convertidor se debe tener en cuenta que
existe un punto máximo (punto crítico), a partir del cual, el
sistema no tiene la capacidad de continuar elevando el voltaje
de entrada, provocando que la ganancia decrezca hasta llegar a
cero [5]. Este fenómeno se presenta, debido a que aumenta la
exigencia operativa en los elementos no ideales del convertidor
a medida que la relación de trabajo tiende a 1, lo que conlleva a
un incremento en las pérdidas de potencia.
Con base en lo anterior, es importante calcular el valor máximo
que puede llegar a tomar la relación de trabajo
(
𝐷 crítico
)
, con
el objetivo de garantizar una operación eficiente y estable en el
convertidor.
Análisis del D critico
Para conocer el valor del 𝐷 crítico, se requiere derivar la
expresión de ganancia del convertidor, con el fin de obtener el
valor de 𝐷 correspondiente al máximo global de la curva de
ganancia vs ciclo de trabajo, como se establece en (14).
𝑑 (
𝑉
𝑜𝑢𝑡
)
𝑉
𝑖𝑛
= 0
𝑑𝐷
(14)
Por otra parte, con el fin de facilitar la deducción para la
expresión de ganancia del convertidor, se asume que el voltaje
de salida es mucho mayor que el voltaje de caída del diodo
(
𝑉
𝑜𝑢𝑡
𝑉
𝑑
)
, lo que conlleva a que 𝑉
𝑜𝑢𝑡
+ 𝑉
𝑑
𝑉
𝑜𝑢𝑡
,
obteniendo la expresión (15), deducida en [15], [17].
𝑉
𝑜𝑢𝑡
=
𝑅
𝐿𝑜𝑎𝑑
(
1−𝐷
)
𝑉
𝑖𝑛
𝑅
𝐿𝑜𝑎𝑑
(
1−𝐷
)
2
+𝑅
𝑑
(
1−𝐷
)
+𝑅
𝐷𝑆
(
𝑂𝑁
)
𝐷+𝑅
𝐿
(15)
77
Scientia et Technica Año XXVIII, Vol. 29, No. 02, abril-junio de 2024. Universidad Tecnológica de Pereira.
Aplicando el concepto de máximos y mínimos a la expresión de
ganancia, se obtiene la expresión (16) para la relación de trabajo
correspondiente al punto crítico del convertidor.
𝑫
𝒄𝒓í𝒕𝒊
0.8897
5,224
7,573
4,616
50,7
De acuerdo a la información de la Tabla IV, se obtiene el valor
de la relación de trabajo máxima y mínima del transistor, y el
análisis concerniente al punto crítico del convertidor.
𝐷
𝑐𝑟𝑖𝑡𝑖𝑐𝑜
= 1 ±
𝑅
𝐿
+ 𝑅
𝐷𝑆
(
𝑂𝑁
)
𝑅
(16)
𝐿𝑜𝑎𝑑
A partir de la ecuación (16) se puede deducir que el signo de la
raíz debe ser negativo. Puesto que 0 𝐷 1, es decir, 𝐷 no
puede ser mayor que 1. Con lo cual se obtiene la expresión final
para el 𝐷
𝑐𝑟𝑖𝑡𝑖𝑐𝑜
, que se muestra en (17).
𝑹
𝑳
+ 𝑹
𝑫𝑺
(
𝑶𝑵
)
𝑫
𝒄𝒓𝒊𝒕𝒊𝒄𝒐
= 𝟏
𝑹
𝑳𝒐𝒂𝒅
(17)
Como se evidencia en la Fig. 4, para mantener el voltaje de
salida en 24V y compensar las variaciones del voltaje de
entrada, se requiere variar el ciclo de trabajo en un rango teórico
entre 0.397 y 0.66 correspondientes a valores de voltaje de
entrada de 15V y 9V, respectivamente.
En la Fig. 5, se evidencia que el convertidor no opera con
valores cercanos al 𝐷
𝑐𝑟𝑖𝑡𝑖𝑐𝑜
lo que garantiza un funcionamiento
estable al ocurrir perturbaciones en la operación que puedan
causar reducciones en la ganancia obtenida. De igual forma, se
Finalmente se obtiene un 𝐷 = 0.8897 en el convertidor
evidencia que la ganancia requerida para mantener el voltaje en
para carga nominal (
𝑐𝑟𝑖𝑡𝑖𝑐𝑜
𝑅
𝐿𝑜𝑎𝑑
= 28.8 Ω).
24V, incrementa a medida que se reduce el voltaje de entrada.
3)
Deducción de la expresión para la eficiencia del
convertidor.
Con el objetivo de determinar cómo los parámetros del circuito
del diagrama de la Fig. 3, afectan la eficiencia del convertidor
y analizar el comportamiento respecto a variaciones del ciclo de
trabajo, se obtuvo la expresión (18), la cual, relaciona la
eficiencia del convertidor en función de la carga, los parámetros
circuitales de los dispositivos semiconductores y el ciclo de
trabajo.
𝑛 =
𝑅
𝐿𝑜𝑎𝑑
(
1−𝐷
)
2
𝑅
𝐿𝑜𝑎𝑑
(
1−𝐷
)
2
+𝑅
𝑑
(
1−𝐷
)
+𝑅
𝐷𝑆
(
𝑂𝑁
)
𝐷+𝑅
𝐿
4)
Curvas del convertidor a carga nominal
(18)
Con el objetivo de conocer las gráficas de operación para la
ganancia, la eficiencia, trayectoria de voltaje de entrada y los
diferentes valores que toma el ciclo de trabajo
(
𝐷
)
, se realizó la
tabulación mostrada en la Tabla IV, teniendo en cuenta la
evolución del convertidor descrita por las expresiones (13), (15)
y (18).
TABLA IV
CARACTERÍSTICAS DEL CONVERTIDOR DE ACUERDO A LA VARIACIÓN DE LA
RELACIÓN DE TRABAJO A CARGA NOMINAL.
Fig. 4. Curva del voltaje de entrada respecto a la relación de trabajo.
𝑫
𝑽
𝒊𝒏
𝑰
𝒊𝒏
𝑽
𝒐𝒖𝒕
𝑽
𝒊𝒏
𝒏
(
%
)
𝑫
𝒎𝒊𝒏
0,397
15,003
1,381
1,6146
97,3
-
0,437
14,068
1,480
1,7219
96,9
𝑫
𝒐𝒍
0,5251
12,029
1,754
2,0207
95,5
-
0,5301
11,914
1,773
2,0402
95,4
-
0,6151
9,992
2,164
2,4336
93,2
𝑫
𝒎𝒂𝒙
0,6601
9,002
2,451
2,6887
91,4
78
Scientia et Technica Año XXVIII, Vol. 29, No. 02, abril-junio de 2024. Universidad Tecnológica de Pereira
Fig. 5. Curva de la ganancia del convertidor respecto a la relación de trabajo,
permitiendo evidenciar el Dcrítico del convertidor.
Conjuntamente, en la Fig. 6, se evidencia que la eficiencia del
convertidor se reduce a medida que se incrementa el ciclo de
trabajo, es decir, sucede cuando la ganancia requerida del
convertidor se incrementa, debido a la reducción del voltaje de
la fuente. Del mismo modo, se aprecia que cuando el
convertidor opera en el punto crítico, la eficiencia del
convertidor se reduce a la mitad, demandando el doble de
potencia de la fuente (40W), para obtener una potencia de salida
de 20W.
Fig. 6. Eficiencia del convertidor a carga nominal.
D.
Cálculo de los filtros
1)
Cálculo del inductor
La selección del valor de inductancia, se determinó del criterio
dominante entre continuidad (inductancia crítica) y rizado de
corriente, como se muestra a continuación:
Cálculo de la inductancia para el criterio de rizado de
corriente.
Para el cálculo de la inductancia por criterio de rizado, se
empleó (4), y se tuvo en cuenta el rizado máximo permisible
definido previamente, además, el producto máximo 𝑉
𝑖𝑛
𝐷 se
obtuvo a partir de la Tabla IV, el cual, corresponde a un ciclo
de trabajo de 0,5251 y un voltaje de entrada de 12.029V. A
continuación, se muestra el cálculo del inductor:
∆𝐼
𝑖𝑛𝑚𝑎𝑥
0.10
𝑖
𝐿
;
𝑖
𝐿
𝐼
𝑖𝑛
(19)
∆𝑖
𝐿
= 0.10
(
1.754𝐴
)
= 175.4𝑚𝐴
(20)
(
12.029
)(
0,5251
)
(
1
)
𝐿
100𝑥10
3
175,4𝑥10
3
𝐿 360.116 𝜇𝐻
(21)
Cálculo de la inductancia para el criterio de continuidad.
Para el cálculo por criterio de continuidad, se definió una carga
de lastre de 5% de la potencia nominal (20𝑊), que demanda
una corriente media de 41.66𝑚𝐴. El cálculo se evidencia en
(22).
(
1 0,5
)(
0,5
)(
12.14
)
1
)
(
3
𝐿
𝐶
100𝑥10
2
(
41.66𝑥10
3
)
𝐿
𝑐
364.258 𝜇𝐻
(22)
Como se evidencia en (21) y (22), el criterio predominante para
la selección del valor de la inductancia, es el de inductancia
crítica, por lo tanto, se definió un factor de seguridad del 1.15,
para compensar posibles perturbaciones en la operación del
circuito que modifiquen el valor de corriente, resultando en un
valor de inductancia 𝐿
𝐶
418.89 𝜇𝐻. Se seleccionó para la
implementación, un inductor de 420𝜇𝐻 con arrollamiento en
cable calibre 18 AWG.
2)
Cálculo del Capacitor
Para el cálculo del capacitor, se empleó (23) a partir de la
ecuación (6) y se tuvo en cuenta el rizado de voltaje definido en
la Tabla I [15].
0,833
(
0,66
)
(
1
)
𝐶
100𝑥10
3
100𝑥10
3
𝐶 54,978 𝜇𝐹
(23)
Se seleccionó para la implementación un capacitor de 100𝜇𝐹
a 50V. Por su parte, para determinar la resistencia serie
79
Scientia et Technica Año XXVIII, Vol. 29, No. 02, abril-junio de 2024. Universidad Tecnológica de Pereira.
equivalente (𝐸𝑆𝑅), se asumió un factor de pérdidas de 0,2 y se
empleó la fórmula (6). Resultando en un 𝐸𝑆𝑅 = 3.18𝑚Ω.
E.
Sintonización de las constantes e implementación de la
etapa de control y generación de señal PWM
1)
Sintonización Constantes
Para controlar el voltaje de salida del convertidor Boost se
seleccionó un controlador PI y se empleó la herramienta de
sintonización PID Tuner de Matlab-Simulink (ver Fig. 7), con
el objetivo de sintonizar las constantes correspondientes que se
evidencian en la Tabla V [18].
Para la sintonización del controlador para el convertidor DC-
DC se empleó la herramienta de PID Tunner de Matlab, lo que
permitió obtener las constantes del controlador con una mayor
simplicidad en comparación con los métodos de sintonización
empleados en otras investigaciones, que al ser de carácter
manual como el método de ziegler-Nichols, requieren obtener
una expresión linealizada para la planta, ya sea en el espacio de
estados haciendo uso del Jacobiano o una función de
transferencia linealizada.
Para controlar el voltaje de salida del convertidor Boost, se
seleccionó un controlador PI y se empleó la herramienta de
sintonización PID Tuner de Matlab-Simulink (ver Fig. 7), lo
que permitió obtener las constantes del controlador (ver Tabla
V) con una mayor simplicidad en comparación con los métodos
de sintonización de Ziegler-Nichols, …. empleados en otras
investigaciones [][]. Estos métodos, como el de Ziegler-
Nichols, son manuales y requieren obtener una expresión
linealizada para la planta, ya sea en el espacio de estados
haciendo uso del jacobiano o mediante una función de
transferencia linealizada.
Fig. 7. Estructura de control empleada para la sintonización de las constantes
del controlador.
TABLA V
CONSTANTES SINTONIZADAS.
Constante
Símbolo
Valor
Proporcional
𝑃
1.2
Integral
𝐼
1
Una vez obtenidas las constantes y para mejorar la respuesta del
sistema de control, se definió una etapa para la adecuación de
la señal de voltaje de salida realimentada y un bloque de
saturación que limita el rango del ciclo de trabajo entre 0.3 y
0.8 para evitar comportamientos indeseados en el convertidor
como se evidencia en la Fig. 8.
La etapa de adecuación de señal consta de dos subetapas, la
primera subetapa consta de un atenuador con ganancia de 1/6
que permite reducir el voltaje de salida de convertidor a 4V y
compararlo con el setpoint de referencia de 4V, el cual
corresponde a un voltaje real de salida en el convertidor de 24V.
Por su parte, la segunda subetapa hace referencia a un filtro
pasabajo con frecuencia de corte de 1.6𝑘𝐻𝑧 que atenúa el
rizado de voltaje y asegura una mayor efectividad del sistema
de control.
Fig. 8. Sistema de control diseñado para controlar el voltaje de salida del
convertidor.
2)
Implementación de la etapa de control y generación de
la señal PWM
En la Fig. 9 se evidencian las etapas del circuito que se
implementó físicamente (ver Fig. 10) para cumplir con el
diseño propuesto.
El sistema de control de la Fig. 8 está constituido por las
siguientes etapas:
Etapa de adecuación de señal.
Como se mencionó previamente, la etapa de adecuación de
señal está constituida por un atenuador y un filtro pasabajo. Para
el caso del circuito de atenuación, se empleó un divisor de
tensión con dos resistencias de 𝑅
1
= 1.2𝑘Ω y un potenciómetro
de 10𝑘Ω al 62%. Por su parte, para el filtro pasabajo se
seleccionó un capacitor de 𝐶 = 0.1𝑢𝐹 y una resistencia de 𝑅 =
1𝑘Ω que producen una frecuencia de corte de 1.6𝑘𝐻𝑧.
80
Scientia et Technica Año XXVIII, Vol. 29, No. 02, abril-junio de 2024. Universidad Tecnológica de Pereira
Fig. 9. Sistema de control diseñado para controlar el voltaje de salida del convertidor.
Fig. 10. Montaje físico del convertidor DC-DC Boost.
Controlador PI
El controlador PI se implementó a través de una etapa restadora,
proporcional, integrativa y sumadora. Inicialmente, para la
etapa restadora encargada de comparar el setpoint con la señal
filtrada y atenuada del voltaje de salida del convertidor, se
asumieron todas sus resistencias del mismo valor 𝑅
2
= 𝑅
3
=
𝑅
4
= 𝑅
5
= 1𝑘Ω, obteniendo a la salida la señal de error
presentada en (24).
81
Scientia et Technica Año XXVIII, Vol. 29, No. 02, abril-junio de 2024. Universidad Tecnológica de Pereira.
𝐸
𝑟
= 𝑠𝑒𝑡𝑝𝑜𝑖𝑛𝑡 𝑉
𝑎𝑓
(24)
Donde 𝐸
𝑟
es la señal de error, 𝑠𝑒𝑡𝑝𝑜𝑖𝑛𝑡 es el voltaje de
referencia deseado (4V equivalentes a 24V) y 𝑉
𝑎𝑓
es el voltaje
atenuado y filtrado del convertidor.
Posteriormente, para la etapa proporcional, se emplearon dos
resistencias de valor 𝑅
12
= 12𝑘Ω y 𝑅
6
= 10𝑘Ω para obtener la
ganancia proporcional de la Tabla V. Seguidamente, para la
etapa integrativa, se seleccionó un capacitor de 𝐶
2
= 10𝑢𝐹 y
una resistencia de 𝑅
11
= 100𝑘Ω con el objetivo de obtener una
ganancia integrativa de 𝐼 = 1. Finalmente, para el amplificador
sumador encargado de unir las acciones de control proporcional
e integrativa y el bias, además de compensar la ganancia
negativa introducida por las etapas anteriores, se seleccionaron
resistencias
de
igual
valor
comercial
𝑅
16
= 𝑅
13
= 𝑅
14
=
𝑅
15
= 15𝑘Ω.
Generador Señal PWM
Para la generación de la señal de control PWM del Mosfet que
permite mantener regulado el voltaje de salida en 24V cuando
la entrada varía de 9V a 15V, se empleó el integrado SG3525,
el cual si bien, no es el dispositivo más robusto y versátil para
la generación de señales PWM, como por ejemplo, el
microcontrolador (PIC16f877A) empleado en [3], [19], el cual
posee una mayor rapidez de respuesta ante cambios requeridos
en el ciclo de trabajo, así como, la capacidad de obtener valores
de ciclo de trabajo más exactos dentro de un rango de frecuencia
más amplio, requiere de un conocimiento de programación
avanzado y su costo puede ser hasta nueve (9) veces mayor que
el dispositivo empleado en el desarrollo de este artículo.
Por su parte, el SG3525, permite generar una señal de
frecuencia y ciclo de trabajo configurable en las salidas 11 y 14,
en el rango teórico entre 0%-50% (las señales de las salidas son
complementarias, es decir, si se tiene un ciclo de trabajo del
30%, la salida 11 estará un 30% en alto y la 14 estará en bajo,
pero cuando esta finalice su periodo en alto y cambie a un
estado bajo, la salida 14 cambiará a un estado alto durante el
30% del periodo y volverá nuevamente a estado apagado)
variando exclusivamente la tensión aplicada a la entrada no
inversora (2) del mismo (para el caso del ciclo de trabajo).
No obstante, como se evidenció en la Tabla IV, cuando el
voltaje de entrada decae a 9V, el ciclo de trabajo teórico
requerido para mantener el voltaje de salida en 24V es de
0.6601, el cual es superior al máximo valor generado por el
integrado en cualesquiera de sus dos salidas (11 o 14), razón
por lo cual, fue necesario emplear una compuerta OR 74LS32
para sumar las dos señales de salida y obtener un ciclo de
trabajo variable (teóricamente) en el rango de 0% a 100%. Por
su parte, el ciclo de trabajo fue controlado a través del voltaje
generado y aplicado por el sistema de control a la entrada 2 del
integrado.
Por otra parte, para el cálculo de la frecuencia de la señal PWM
generada a la salida del integrado, se empleó (25).
Donde 𝑓
𝑃𝑊𝑀
, es la frecuencia de la señal PWM, 𝐶
𝑇
es el
capacitor conectado a la entrada 5, 𝑅
𝑇
es la resistencia
conectada a la entrada 6 y 𝑅
𝑑𝑖𝑠𝑐ℎ𝑎𝑟𝑔𝑒
es la resistencia de
descarga.
1
𝑓
𝑃𝑊𝑀
(
𝑘𝐻𝑧
)
=
𝐶
𝑇
(0.7𝑅
𝑇
+ 3𝑅
𝑑𝑖𝑠𝑐ℎ𝑎𝑟𝑔𝑒
)
(25)
Para generar una frecuencia de conmutación de 100𝑘𝐻𝑧, se
seleccionó un capacitor de 𝐶
𝑇
= 10𝑢𝐹, un potenciómetro de
100𝑘Ω al 14% y una resistencia de 𝑅
𝑑𝑖𝑠𝑐ℎ𝑎𝑟𝑔𝑒
= (debido a
que no fue necesaria para obtener el valor de frecuencia
deseado).
Bias
Para la selección del bias de operación del ciclo de trabajo del
convertidor, con el fin de garantizar que, en ningún caso, el
transistor se encuentre apagado, se tuvo en cuenta, un voltaje de
entrada 𝑉
𝑖𝑛
= 12𝑉 y un 𝑉
𝑜𝑢𝑡
= 24𝑉. Con el valor de voltaje de
entrada, y empleando el integrado SG3525 se obtuvo un ciclo
de trabajo de 0.53, correspondiente a una tensión de 2V en la
entrada no inversora (2) del amplificador comparador del
integrado. El valor de tensión correspondiente al ciclo de
trabajo obtenido, se usó como tensión de bias en el sistema de
control de la Fig. 8. 𝐷
𝑏𝑖𝑎𝑠
= 0.53 𝑉
𝑏𝑖𝑎𝑠
= 2𝑉.
Saturador Ciclo de Trabajo
El limitador de ciclo de trabajo de la Fig. 9 está compuesto,
inicialmente, por una resistencia encargada de reflejar el voltaje
excedente del sistema de control (en caso de que el voltaje de
control supere al voltaje del Zener) y, finalmente, por un diodo
Zener encargado de limitar la tensión aplicada a la entrada no
inversora del integrado SG3525.
Para el diseño del circuito se tuvo en cuenta el límite superior
(0.8) de ciclo de trabajo del bloque de saturación del sistema de
control de la Fig. 8. Con este criterio, se obtuvo físicamente el
valor de tensión en la entrada no inversora del SG3525 que
producía a la salida del mismo, un ciclo de trabajo de 0.8.
𝐷
𝑚á𝑥𝑝𝑒𝑟𝑚𝑖𝑡𝑖𝑑𝑜
= 0.8 𝑉
𝑒𝑛𝑖
= 2.75𝑉.
Donde
𝑉
𝑒𝑛𝑖
,
es
el
voltaje de la entrada no inversora del integrado.
Con el valor de tensión obtenido, se seleccionó el diodo Zener
1N4726, este presenta un voltaje de 𝑉
𝑍
= 2.7𝑉 que genera un
ciclo de trabajo máximo en el SG3525 de aproximadamente
0.78 (en caso de que el voltaje del sistema de control supere el
voltaje del Zener). Por su parte, el valor de la resistencia
escogido fue de 𝑅
17
= 10𝑘Ω con el objetivo de reducir el
consumo innecesario de corriente.
V.
RESULTADOS Y DISCUSION
A.
Simulación del convertidor
1)
Formas de onda de voltaje de salida, voltaje drenaje-
82
Scientia et Technica Año XXVIII, Vol. 29, No. 02, abril-junio de 2024. Universidad Tecnológica de Pereira
fuente del Mosfet para un 𝑉
𝑖𝑛
= 9𝑉
En la Fig. 11, es posible apreciar que el sistema de control
sintonizado previamente, reduce el margen de sobrepaso del
voltaje de salida en un 19.393% en comparación con el obtenido
(30.921%) para la respuesta en lazo abierto, la cual se obtuvo
empleando el ciclo de trabajo estático presente en la Tabla IV
(0.6601) para un voltaje de entrada de 9V. Así mismo, también
es posible evidenciar que, el sistema de control fuerza a que la
tensión de salida del convertidor a carga nominal alcance un
valor medio en estado estacionario de 24.01V, el cual presenta
un error de posición del 0.0416% en relación con los 24V
deseados.
Fig. 11. Curva dinámica del voltaje de salida (en lazo abierto y lazo cerrado) y
parámetros importantes de la respuesta del convertidor en lazo abierto y lazo
cerrado ante una entrada de 9V.
De igual forma, también es posible apreciar que, el voltaje de
salida en lazo cerrado, presenta un rizado de 38mV, el cual es
36.84% inferior al obtenido en lazo abierto (52mv), verificando
efectivamente que, el sistema de control diseñado contribuye a
mejorar la respuesta dinámica del convertidor.
Fig. 12. Forma de onda del voltaje drenaje-fuente en estado estacionario 𝑉
𝐷𝑆
para un voltaje de entrada de 9V.
Por otra parte, el voltaje drenaje-fuente del Mosfet en estado
estacionario para lazo cerrado se ilustra en la Fig. 12. En esta,
se puede evidenciar que, el transistor soporta una tensión de
24V durante 3.4𝑢𝑠 (equivalente a un voltaje medio de 8.16V),
correspondiente al 36% del periodo de conmutación.
Adicionalmente, se puede deducir el valor del ciclo de trabajo
generado por el sistema de control como se evidencia en la
expresión (26), el cual presenta un incremento del 2% en
relación con el obtenido teóricamente para 9𝑉 (66.01%) en la
Tabla IV.
𝐷 =
∆𝑡
𝑜𝑛
100 =
15.0168𝑚𝑠−15.01𝑚𝑠
100
𝑠
𝑇 10𝑢𝑠
𝐷
𝑠
= 68%
(26)
2)
Formas de onda de voltaje de salida, corriente de
entrada, voltaje drenaje-fuente del Mosfet para un 𝑉
𝑖𝑛
= 12𝑉
En la Fig. 13 se presentan las formas de onda en régimen
transitorio y régimen permanente del voltaje de salida
trabajando en lazo abierto (la cual fue obtenida empleando el
ciclo de trabajo estático de 0.5251 de la Tabla IV) y lazo
cerrado, ante un voltaje de entrada de 12V.
Fig. 13. Curva dinámica del voltaje de salida (en lazo abierto y lazo cerrado) y
parámetros importantes de la respuesta del convertidor en lazo abierto y lazo
cerrado ante una entrada de 12V.
Entre los aspectos más relevantes se encuentra que, el voltaje
de salida en estado estacionario en lazo cerrado, presenta un
valor medio 24.004 y un rizado de 50mV, el cual es inferior al
definido previamente en la Tabla I. Conjuntamente, también es
importar resaltar que, si bien, el voltaje de salida en lazo abierto
presenta un tiempo de establecimiento de 5.404ms, el cual es
9.33% menor que el obtenido en lazo cerrado (5.908ms), el
sistema de control reduce el margen de sobrepaso de la
respuesta natural del sistema en un 24.443%, conllevando a que
los dispositivos que integran el circuito sufran una menor
exigencia operativa durante la etapa transitoria.
83
Scientia et Technica Año XXVIII, Vol. 29, No. 02, abril-junio de 2024. Universidad Tecnológica de Pereira.
En relación con la corriente del inductor, en la Fig. 14 se ilustra
el comportamiento dinámico obtenido a través de la simulación.
En esta, se evidencia un pico de corriente de 9.978A (el cual se
encuentra por debajo de los límites de corriente pico soportadas
por el Mosfet y el diodo escogido previamente). Así mismo,
también es posible observar que, la corriente presenta un valor
medio de 1.816A (el cual es 3.535% superior al obtenido en la
Tabla IV para el mismo voltaje de entrada) y un rizado de
corriente del 4.625% correspondiente a 84𝑚𝐴 (el cual es
5.375% inferior al rizado permisible definido en las
características operativas).
Fig. 14. Curva dinámica de la corriente del inductor o corriente de entrada (en
lazo cerrado) para un voltaje de entrada de 12V.
Por otra parte, en la Fig. 15 se ilustra el comportamiento en
régimen permanente (para lazo cerrado) del voltaje drenaje-
fuente del transistor. A partir de esta, se puede derivar el ciclo
de trabajo medio generado por el sistema de control como se
manifiesta en la expresión (27), el cual, a su vez, presenta
nuevamente un incremento del 0.6% respecto a los 52.5%
obtenidos teóricamente en la Tabla IV. De la misma forma,
también se puede observar que, el transistor soporta un valor
medio de tensión en estado estacionario de 11.304V durante el
período de conmutación (10𝑢𝑠).
15.02531𝑚𝑠 15.02𝑚𝑠
𝐷
𝑠
=
10𝑢𝑠
100 = 53.1%
(27)
3)
Formas de onda de voltaje de salida, corriente de
entrada, voltaje drenaje-fuente del Mosfet y ciclo de trabajo
para un 𝑉
𝑖𝑛
= 15𝑉.
En la Fig. 16, se ilustra el comportamiento del voltaje de salida
para lazo cerrado (verde) y lazo abierto (azul) (simulada para el
ciclo de trabajo estático de 0.397 de la Tabla IV). En esta, se
puede evidenciar nuevamente que, el sistema de control fuerza
a la tensión de salida del convertidor a alcanzar un voltaje de
24.036V. Este valor de tensión en estado estacionario, presenta
un error de posición del 0.15% en relación con el voltaje
deseado de 24V.
Fig. 16. Curva dinámica del voltaje de salida (en lazo abierto y lazo cerrado) y
parámetros importantes de la respuesta del convertidor en lazo abierto y lazo
cerrado ante una entrada de 15V.
Fig. 15. Forma de onda del voltaje drenaje-fuente 𝑉
𝐷𝑆
para 12V.
Fig. 17. Forma de onda del voltaje drenaje-fuente 𝑉
𝐷𝑆
para 15V.
Por otra parte, en la Fig. 17 se ilustra el comportamiento en
régimen permanente del voltaje drenaje-fuente del transistor, el
cual soporta un valor medio de 14.112V, el cual es 6.29%
84
Scientia et Technica Año XXVIII, Vol. 29, No. 02, abril-junio de 2024. Universidad Tecnológica de Pereira
inferior al valor máximo (15V) que debía soportar el transistor
calculado mediante (10). Conjuntamente, a partir de esta misma
gráfica, se puede derivar el ciclo de trabajo de operación del
transistor como se evidencia en (28).
15.0141𝑚𝑠 15.01𝑚𝑠
𝐷
𝑠
=
10𝑢𝑠
100 = 41.0%
(28)
A través de la expresión (28), se puede afirmar que, el ciclo de
trabajo en estado estacionario generado por el sistema de
control para un 𝑉
𝑖𝑛
= 15𝑉 presenta un incremento del 1.3% en
relación a los 39.7% obtenidos teóricamente en lazo abierto en
la Tabla IV.
Una vez obtenido el comportamiento dinámico del convertidor
(bajo la influencia del controlador PI sintonizado) para los
diferentes escenarios de operación, y, con objeto de
entender/dimensionar/caracterizar/analizar la relevancia de los
resultados, se realizó una comparación con diferentes trabajos
de investigación, que centraron sus esfuerzos en diseñar
controladores para la topología Boost. El resultado de esta
comparación se muestra a continuación:
En [6], para controlar el voltaje de salida deseado de un
convertidor Boost, se emplearon tres metodologías de control:
control PI (a través de asignación de polos), control PI (con
lógica difusa) y un control por ganancias programadas. Para el
caso del controlador PI, si bien, el controlador, tiene la
capacidad de forzar el voltaje de salida al valor deseado y
muestra un menor valor de sobrepaso que el controlador
sintonizado en este trabajo, en dos de los tres puntos de
operación previstos en el artículo; para el punto de operación
más crítico (12V de salida en [6] y 9V de entrada en este
trabajo), el controlador PI sintonizado a través de la
metodología propuesta en el desarrollo de este trabajo, presenta
un valor de sobrepaso (11.53%) menor que el obtenido en [6]
(38,42%), que sumado a, la tendencia estable de los valores de
tiempo de establecimiento (no superior a 0.1ms para los tres
puntos de operación), brinda un mejor comportamiento
transitorio en los tres (3) escenarios propuestos.
Por su parte, al revisar los resultados obtenidos en [6] para el
convertidor, empleando un controlador PI difuso, el cual es un
sistema de control de mayor complejidad, este presentó un mal
comportamiento en estado estable, ya que, cuando el escenario
de trabajo se alejaba del punto de operación en torno al cual se
sintonizo el controlador PI, no se lograba alcanzar la señal de
referencia, a diferencia de, el controlador sintonizado en el
presente trabajo, que, sin importar el punto de operación (dentro
de los escenarios previstos) en el que se encuentre , logró
alcanzar la señal de referencia.
Por último al analizar los resultados obtenidos a través del
control de ganancias programadas, si bien, este no presenta
margen de sobrepaso y error en estado estacionario en los
diferentes rangos operativos, los tiempos de asentamiento del
sistema, presentan un incremento elevado entre los diferentes
escenarios de operación (hasta 21ms), que al compararse con el
controlador PI del presente documento, el cual presenta una
diferencia máxima de 0,1ms, resalta la capacidad adaptativa y
estable del controlador.
En conclusión, si bien, las diferentes técnicas de control
empleadas en [6], presentan algunas mejoras en la respuesta
dinámica del sistema (margen de sobrepaso, error en estado
estacionario) en relación al presente trabajo, la sintonización de
los mismos, requiere de un análisis dinámico del sistema con
mayor grado de complejidad y de un conocimiento más
avanzado en técnicas de control, que, la estrategia de
sintonización por PID Tuner, propuesta en el presente trabajo,
y que por su parte, presentó una respuesta aceptable dentro de
todos los escenarios de trabajo previstos, demostrando así una
excelente relación entre complejidad de sintonización y
resultados obtenidos.
Conjuntamente en [20], se presenta un estudio sobre el diseño
y la simulación de un controlador tipo PI aplicado a un
convertidor Buck-Boost; en donde se utilizó el método de
sintonización de Ziegler-Nichols, que es un método manual en
el que se incrementa gradualmente 𝐾𝑝 mientras 𝐾𝑖 se mantiene
constante hasta que la forma de onda de voltaje de salida se
aproxime a la referencia de voltaje; luego, 𝐾𝑝 se fija y se
incrementa 𝐾𝑖. Esta metodología de sintonización, si bien,
puede obtener buenos resultados, requiere realizar
manualmente una linealización de la planta, que puede resultar
en un proceso extenso y tedioso; a diferencia de la metodología
planteada en este trabajo, la cual requiere únicamente el uso del
bloque PID Tuner, quien es el encargado de linealizar la planta
automáticamente en torno al punto de operación deseado,
permitiendo fácilmente la sintonización de constantes
adecuadas que garanticen el comportamiento deseado del
convertidor DC-DC.
B.
Implementación física del convertidor
1)
Formas de onda de voltaje de salida y voltaje drenaje-
fuente del Mosfet obtenidos en la implementación para un
𝑉
𝑖𝑛
= 9𝑉.
Como resultado de la implementación práctica del esquema de
la Fig. 9, en la Fig. 18 se ilustra el voltaje de salida obtenido en
estado estacionario para un 𝑉
𝑖𝑛
= 9𝑉.
85
Scientia et Technica Año XXVIII, Vol. 29, No. 02, abril-junio de 2024. Universidad Tecnológica de Pereira.
Fig. 18. Voltaje en régimen permanente obtenido a la salida del convertidor
para un 𝑉
𝑖𝑛
= 9𝑉.
En esta, se puede observar que se obtuvo un valor medio de
tensión en la carga de 24.4V, el cual presenta un error de
posición del 1.667% en relación al voltaje deseado de 24V.
De la misma forma, en la Fig. 19 se ilustra el comportamiento
de la tensión drenaje-fuente del transistor, el cual presenta un
valor medio de 8.80V y un incremento del 7.84%
(correspondiente a 640mV) en relación con el obtenido por
simulación (8.16V) para el mismo valor de voltaje de entrada.
Fig. 19. Voltaje Drenaje-Fuente en el transistor para un voltaje de entrada de
9V.
Por otra parte, también es posible observar que, el ciclo de
trabajo generado por el sistema de control implementado,
presenta un valor de 64.4%, el cual es 3.6% inferior al obtenido
a través de simulación (68%) y 1.6% en relación al calculado
teóricamente (66%).
2)
Formas de onda de voltaje de salida y voltaje drenaje-
fuente del Mosfet obtenidos en la implementación para un
Fig. 20. Voltaje en régimen permanente obtenido a la salida del convertidor
para un 𝑉
𝑖𝑛
= 12𝑉.
A continuación, en la Fig. 21, se ilustra el comportamiento de
la tensión drenaje-fuente del Mosfet, el cual presenta un valor
medio de 12.4V, lo que representa un incremento del 9.7%
respecto a los 11.304V obtenidos a través de la simulación.
Fig. 21. Voltaje Drenaje-Fuente en el transistor para un voltaje de entrada de
12V.
En lo que refiere al ciclo de trabajo del transistor, es posible
evidenciar que, a diferencia del obtenido para un 𝑉
𝑖𝑛
= 12𝑉 (el
cual presentó una reducción en comparación con el obtenido
teóricamente), se obtuvo un incremento del 0.6%
(correspondiente a un valor 53.1%) en relación con el obtenido
teóricamente.
3)
Formas de onda de voltaje de salida y voltaje drenaje-
fuente del Mosfet para un 𝑉
𝑖𝑛
= 15𝑉
Finalmente, en la Fig. 22 se ilustra el voltaje de salida obtenido
en estado estacionario para un 𝑉
𝑖𝑛
= 15𝑉. En esta, nuevamente
𝑽
𝒊𝒏
= 𝟏𝟐𝑽
se puede observar que, se obtuvo un valor medio de tensión en
la carga de 24.8V correspondiente a un error de posición de
Inicialmente, en la Fig. 20 se ilustra el voltaje de salida obtenido
en estado estacionario para un 𝑉
𝑖𝑛
= 12𝑉. En esta, se observa
que, el voltaje de salida entregado a la carga es de 24.8V,
presentando un incremento de 0.4V (correspondiente al
1.639%) en comparación con el obtenido para un 𝑉
𝑖𝑛
= 9𝑉 y
un error de posición del 3.33% en relación a los 24V deseados
inicialmente.
3.33%.
Fig. 22. Voltaje en régimen permanente obtenido a la salida del convertidor
para un 𝑉
𝑖𝑛
= 15𝑉.
Por su parte, en la Fig. 23 se expone el comportamiento en
estado estacionario de la tensión drenaje fuente del Mosfet, en
la cual se observa que, el Mosfet soporta un valor medio de
86
Scientia et Technica Año XXVIII, Vol. 29, No. 02, abril-junio de 2024. Universidad Tecnológica de Pereira
tensión de 16V (el cual es 1.888V superior al obtenido en la
simulación para el mismo voltaje de entrada) durante el periodo
de conmutación del convertidor. De igual forma, también es
posible observar que, el ciclo de trabajo en estado estacionario
del transistor, presenta un valor de 40.2%, lo que representa un
incremento del 0.5% respecto al obtenido en la Tabla IV (0.397)
y una reducción del 0.8% en comparación con el obtenido en la
simulación.
Fig. 23. Voltaje Drenaje-Fuente en el transistor para un voltaje de entrada de
15V.
VI.
CONCLUSIONES
El diseño implementado generó resultados aceptables en
relación a los obtenidos a nivel teórico y de simulación. El
voltaje de salida se mantuvo en 24V sin importar las variaciones
de tensión que se pudieran presentar en la entrada, producto de
la emulación de la carga o descarga de una batería de 12V. Esto
se logró esencialmente gracias al sistema de control
implementado para regular el voltaje de salida, el cual, a pesar
de presentar un error de estado estacionario para los diferentes
valores de tensión (producto de las tolerancias de los elementos
circuitales y las variaciones e imprecisiones de frecuencia, ciclo
de trabajo y amplitud en la señal PWM producidas por el
SG3525), presentó una buena robustez y rápida respuesta ante
los diferentes cambios de tensión generados en la entrada y ante
las variaciones del valor de la inductancia generadas por el
cambio del valor de corriente producto del desplazamiento del
punto operativo inicial para el cual se diseñó el convertidor
(𝑉
𝑖𝑛
= 12𝑉, 𝐷 = 0.53 y 𝑉
𝑜𝑢𝑡
= 24𝑉).
La simulación jugó un papel importante durante el diseño e
implementación del convertidor DC/DC Boost realizado, ya
que permitió solventar las problemáticas y limitaciones físicas
que se presentaron en el proceso de medición y obtención de
gráficas (problemas en la visualización de la respuesta
transitoria causada por las características de medida del
osciloscopio y la rápida respuesta del sistema) que dificultaban
el análisis del comportamiento dinámico del circuito de
potencia, y cuya finalidad era observar si la metodología de
diseño cumplía o no con los criterios de operación definidos
inicialmente.
A nivel práctico se evidenció que, el funcionamiento del
convertidor en lazo abierto, presentó un 𝐷
𝑚𝑎𝑥
= 0.659
correspondiente a un 𝑉
𝑖𝑛
= 9𝑉. De forma análoga, al acoplar la
etapa de control al convertidor (lazo cerrado), este presentó un
𝐷
𝑚𝑎𝑥
= 0.644 para un 𝑉
𝑖𝑛
= 9𝑉. Con base en lo anterior, es
posible afirmar que la implementación de la etapa de control
reduce en un 2.276% la relación de trabajo máxima y
contribuye a disminuir las exigencias en los elementos que
componen al convertidor DC/DC diseñado.
De la tabla de características del convertidor para carga
nominal, se pudo deducir que, cuando la relación de trabajo
alcanza el valor crítico, la eficiencia del convertidor se reduce
a la mitad (50%).
Con base en las simulaciones realizadas, es posible afirmar que,
el modelo descrito por (13), predice acertadamente el
comportamiento del convertidor en estado estacionario para los
diferentes voltajes de entrada, puesto que aún con la acción del
controlador, los valores arrojados por el modelo para ciclo de
trabajo (ver Tabla IV), presentan una desviación máxima del
2% (correspondiente a un 𝑉
𝑖𝑛
= 9𝑉, 𝐷 = 66%) en relación a
los obtenidos a través de la simulación ( 𝑉
𝑖𝑛
= 9𝑉, 𝐷 = 68%).
A partir de los resultados obtenidos de la simulación e
implementación del convertidor DC/DC Boost, y a las
diferentes etapas que lo componen, es posible apreciar la
importancia del análisis y diseño del sistema de control a través
de entornos de simulación como Matlab-Simulink, debido a que
estas herramientas facilitan el diseño de controladores que
permitan moderar el comportamiento caótico natural de los
sistemas de potencia.
87
Scientia et Technica Año XXVIII, Vol. 29, No. 02, abril-junio de 2024. Universidad Tecnológica de Pereira.
REFERENCIAS.
[1]
C. A. Díaz Rodríguez, “Diseño de un regulador de carga
de 150W con tecnología MPPT para un panel fotovoltaico
[12]
N. Mohan, T. M. Undeland, y W. P. Robbins, Electrónica
de pontencia: Convertidores, Aplicaciones y Diseño., 3ra
ed. México: McGraw Hill, 2009.
[13]
G. E. Gallego Rodríguez, Elementos de electrónica de
potencia. Bucaramanga: División de publicaciones de la
UIS, 2017. doi: 10.1/JQUERY.MIN.JS.
acoplado a una micro-red DC aislada”, Tesis de Grado,
[14] J. Vargas Castillo, “La teoría de Floquet en el modelado y
Universidad Francisco de Paula Santander, Cúcuta, 2023.
[2]
W. J. Peña La Torre y J. E. Nevado Talledo, “Desarrollo
de un sistema de control que hace el seguimiento del
máximo punto de potencia en paneles solares aplicado a
sistemas
de
generación
fotovoltaica
para
entornos
rurales”, Tesis de Grado, Universidad Peruana de Ciencias
análisis de convertidores de potencia”, Tesis de Maestría,
Universidad Michoacana de San Nicolás de Hidalgo,
Morelia, 2022. Consultado: el 4 de abril de 2023. [En
línea]. Disponible en:
http://bibliotecavirtual.dgb.umich.mx:8083/xmlui/handle
/DGB_UMICH/8478
Aplicadas (UPC), Lima, 2019. [En línea]. Disponible en:
[15] C. A. Silva Oviedo, “Diseño e implementación de un
https://repositorioacademico.upc.edu.pe/handle/10757/62
6089
[3]
H. Acevedo Meza, J. L. Mendoza García, y S. B.
Sepúlveda Mora, “Estrategias de control MPPT aplicadas
en un convertidor DC/DC tipo Boost para sistemas
fotovoltaicos”, Revista Colombiana de Tecnologías de
convertidor DC/DC elevador de voltaje a partir de una
batería de 12 voltios”, Tesis de Grado, Universidad Santo
Tomas, Bogota D.C., 2019. Consultado: el 4 de abril de
2023. [En línea]. Disponible en:
https://repository.usta.edu.co/bitstream/handle/11634/34
728/2020carlossilva.pdf?sequence=1&isAllowed=y
Avanzada, vol. 2, núm. 30, pp. 1–7, 2017, doi:
[16] G. F. Guarderas Burbano, “Modelizado en caja negra de
10.24054/16927257.v30.n30.2017.2751.
[4]
D. W. Hart, Electrónica de Potencia. Madrid: Pearson
Educación S.A., 2001.
[5]
F. F. Valderrama, H. M. C, y H. M. Vega, “Análisis,
convertidores electrónicos de potencia para aplicaciones
en microrredes de corriente alterna”, Tesis Doctoral,
Universidad Politécnica de Madrid, 2019. doi:
https://doi.org/10.20868/UPM.thesis.57769.
simulación y control de un convertidor de potencia DC-
[17] W. J. Beltrán Duarte, C. A. Peñaloza Luna, G. E. Gallego
DC tipo boost”, Ingenium Revista de la facultad de
ingeniería, vol. 12, núm. 24, pp. 44–55, 2011, doi:
10.21500/01247492.1295.
[6]
G. S. Olivar-Castellanos, L. G. Vela-Valdés, y J.
Aguayo-Alquicira, “Control por ganancias programadas
Rodríguez, y J. J. Ramírez Mateus, “Diseño y simulación
de un módulo inversor fotovoltaico didáctico para el
laboratorio de Electrónica de Potencia de la Universidad
Francisco de Paula Santander”, Tesis de Grado,
Universidad Francisco de Paula Santander, Cúcuta, 2020.
aplicado a un convertidor DC-DC para la regulación de la
[18] C. I. Rueda Panchano, K. Y. Simisterra Quiñonez, G. I.
intensidad luminosa de una lámpara LED”, Ingenius,
núm. 29, pp. 66–78, 2023, doi:
10.17163/ings.n29.2023.06.
[7]
M. K. Sahu, S. B. Santra, y S. Mohapatra, “Closed loop
control of a new non-isolated quadratic boost converter”,
Proceedings of the 2017 IEEE International Conference
Rueda Salazar, L. F. Palacios García, y N. F. Mina
González, “Modelación de un convertidor DC-DC
reductor en modo de conducción continua”, Sapienza:
International Journal of Interdisciplinary Studies, vol. 3,
núm. 4, pp. 250–260, ago. 2022, doi:
10.51798/SIJIS.V3I4.466.
on Communication and Signal Processing, ICCSP 2017,
[19] J. J. Marulanda Durango, J. J. Ordoñez, y L. F. Mosquera
vol. 2018-Janua, pp. 24–29, 2017, doi:
10.1109/ICCSP.2017.8286472.
[8]
O. Rabiaa, B. H. Mouna, S. Lassaad, F. Aymen, y A.
Aicha,
“Cascade
Control
Loop
of
DC-DC
Boost
Machado, “Diseño y construcción de un convertidor dc/dc
tipo Boost con PWM ajustable”, Scientia et technica, vol.
22, núm. 1, pp. 9–14, mar. 2017, doi:
10.22517/23447214.12811.
Converter Using PI Controller”, en 2018 International
[20] M. Q. Duong, V. T. Nguyen, G. N. Sava, M. Scripcariu, y
Symposium on Advanced Electrical and Communication
Technologies (ISAECT), IEEE, nov. 2018, pp. 1–5. doi:
10.1109/ISAECT.2018.8618859.
[9]
C. A. Martínez Barbosa, “Diseño e implementación de un
sistema MPPT y regulación de voltaje mediante CRAP del
panel solar SUNMODULE SW50”, Tesis de Grado,
Universidad Tecnológica de la Mixteca, Huajuapan de
León, 2016. Consultado: el 14 de marzo de 2023. [En
línea]. Disponible en:
http://jupiter.utm.mx/~tesis_dig/13081.pdf
[10]
M. H. Rashid, Electrónica de Potencia. Circuitos,
Dispositivos y Aplicaciones, 3ra ed. México: Pearson
Educación, 2004.
[11]
P. T. Krein, Elements of power electronics. New York:
Oxford University Press, Inc., 1998.
M. Mussetta, “Design and simulation of PI-type control
for the Buck Boost converter”, en 2017 International
Conference on ENERGY and ENVIRONMENT (CIEM),
IEEE, oct. 2017, pp. 79–82. doi:
10.1109/CIEM.2017.8120769.
88
Scientia et Technica Año XXVIII, Vol. 29, No. 02, abril-junio de 2024. Universidad Tecnológica de Pereira
Carlos Andrés Díaz Rodríguez, nació en
Cúcuta, Norte de Santander, Colombia, el
21 de noviembre de 2001, en el seno de una
familia de clase trabajadora; desde muy
pequeño destacó en el ámbito académico,
especialmente en el manejo de la
tecnología y los cálculos matemáticos. A
los 16 años decidió estudiar Ingeniería
Electromecánica, debido a su gran interés
por los circuitos electrónicos y eléctricos, así como, la
programación de sistemas autónomos. En 2023 culminó sus
estudios universitarios, recibiendo el título de Ingeniero
Electromecánico en la Universidad Francisco de Paula
Santander. Durante el período de jun-2023 a dic-2023,
desempeñó el cargo de coordinador de automatización en la
empresa de diseño, mantenimiento, modernización y
automatización de elevadores “VIA ELEVADORES”.
Actualmente, se desempeña como ingeniero de mantenimiento
y confiabilidad (IMC) para la empresa MAGNEX
(anteriormente MASA Stork), desarrollando sus labores en el
oleoducto Caño Limón - Coveñas, en donde espera continuar su
crecimiento personal y laboral.
Código ORCID:
0009-0002-2606-8639.
Wilson Norbey Romano Torres, nació en
Cúcuta, Norte de Santander, Colombia, el
04 de septiembre del 2000. En el año 2018
ingresó a la Universidad Francisco de
Paula Santander (UFPS), en donde en
2019, descubrió su pasión por la
investigación, cuando se unió al grupo de
Investigación en Desarrollo de Procesos
Industriales
(GIDPI),
desde
donde
ha
podido crecer personal y académicamente, despertando su
curiosidad por la investigación y la innovación en áreas de
interés como los biocombustibles, el desarrollo de modelos
matemáticos, el control y la instrumentación de procesos
industriales. En 2023 obtuvo el título de Ingeniero
Electromecánico.
Código ORCID:
0009-0009-6538-9399.
Germán Enrique Gallego Rodríguez,
nació en Cúcuta, Norte de Santander,
Colombia, el 16 de marzo de 1945, se
graduó de Ingeniero Electricista en la
Universidad Industrial de Santander en
1968, y obtuvo una Maestría en Ingeniería
Eléctrica en el Instituto Tecnológico y de
Estudios Superiores de Monterrey en
México en 1976. En el campo profesional
se desempeñó como Ingeniero Residente de la Termoeléctrica
de Tibú, durante 5 años, para Centrales Eléctricas del Norte de
Santander. La experiencia como docente, incluye 7 años como
profesor asistente en la Escuela de Ingeniería Eléctrica de la
Universidad de Oriente, en Puerto La Cruz (Venezuela), 18
años como profesor asociado y Titular en la Universidad
Nacional Experimental del Táchira (Venezuela); y desde 1997
trabaja adscrito al Departamento de Electricidad y Electrónica
de la Universidad Francisco de Paula Santander (UFPS) en
Cúcuta. Las áreas de trabajo han sido Electrotecnia, Máquinas
Eléctricas, Mediciones Eléctricas, Electrónica de Potencia y
Pensamiento Crítico. Con la UFPS ha publicado los siguientes
libros: Elementos de Electrónica de Potencia (ISBN:978-958—
8489-46-9) y Lógica y Resolución de Problemas (ISBN:978-
958-8489-86-5).
Código ORCID: 0000-0003-4582-003X.